Luce
- Каталог запчастей
- Техническая документация
- Программное обеспечение
- Дополнительное оборудование
- Спецпредложение
- Ремкомплекты
- Прочее
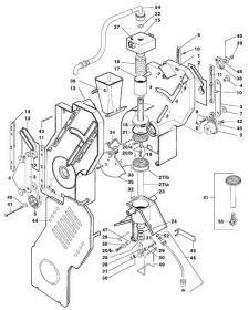
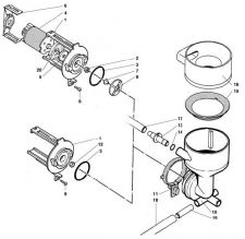
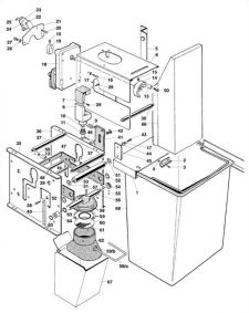
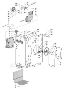
Разработанный Анджело Микели студией De Lucchi, дизайн Luce легко узнать по закругленной и прекрасно освещенной двери.Запатентованная система размешивания в миксерах разработана специально для растворимых напитков. Инновационная программная особенность позволяет изменять скорость смешивания, чтобы регулировать плотность напитков и пенки.Данные о продажах доступны в формате EVA-DTS через (дополнительный) IRDA или флеш-ключ. Luce позволяет замечательное энергосбережение с помощью еженедельно программируемого переключения вкл\выкл, что постоянно поддерживает машину в резервной температуре во время бездействия.
Новости
Мы много работали над ассортиментом запасных частей для кофемашин Lavazza, Delonghi, Gaggia, Saeco...
Акции
Только до конца Марта Вы можете приобрести любые спирали для автоматов FAS и CRANE по 200...





































