Sagoma
- Каталог запчастей
- Техническая документация
- Программное обеспечение
- Дополнительное оборудование
- Спецпредложение
- Ремкомплекты
- Прочее
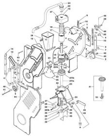
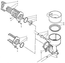
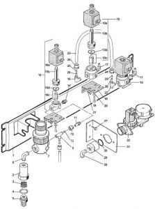
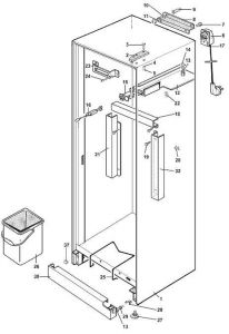
Существуют две модификации кофейного автомата Sagoma – H/5 и H/7. Основными различиями между вариантами машин является количество контейнеров. Sagoma H/7 имеет подсвеченную переднюю декоративную панель и большую загрузку стаканчиков. Автомат имеет возможность гибкого программирования процесса приготовления. Отличается высокой надежностью и вандалоустойчивостью.
Новости
Мы много работали над ассортиментом запасных частей для кофемашин Lavazza, Delonghi, Gaggia, Saeco...
Акции
Только до конца Марта Вы можете приобрести любые спирали для автоматов FAS и CRANE по 200...

































