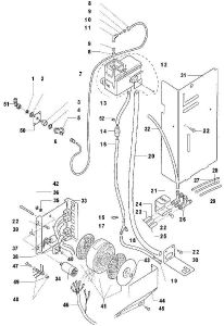
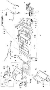
Group 500

Отличная модель, занимающие лидирующие места среди вендинговых машин. Предназначен для установки в местах с большой проходимостью.Корпус  защищен от вандализма. Внешняя панель выбора напитков подсвечивается.GROUP 500 имеет меню на русском языке.Может работать в совместно с торговым автоматом SAECO Break Point-36 от одной платежной системы.