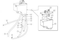
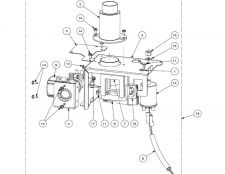
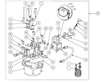
Rubino

Кофейный автомат  SAECO Rubino, в первую очередь выделяется более компактными размерами.Одним из отличительных признаков, что аппарат можно использовать как и настольную кофе-машинку,давая неоспоримое приемущество перед другими кофейными автоматами.Так же имеет оцинкованный и окрашенный корпус из нержавеющей стали; дверь автомата выполнена из пластика «антивандальной» прочности.